Descrizione
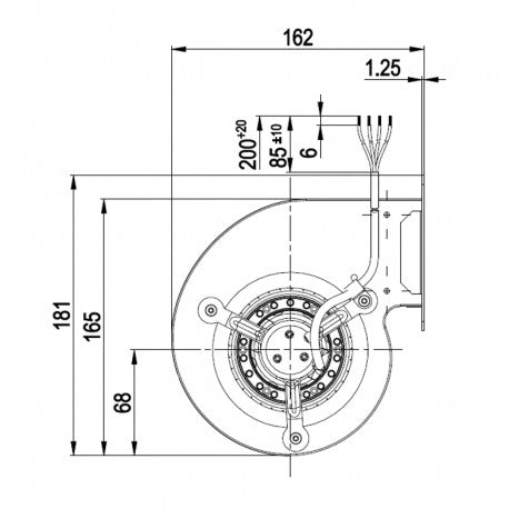
Ventilatore centrifugo EBM D2E097-BI56-48 per stufa a pellet
specifico per alte temperature, silenzioso e estremamente affidabile.
Produce un flusso d'aria ben distribuito con una portata di 390 m³/h.
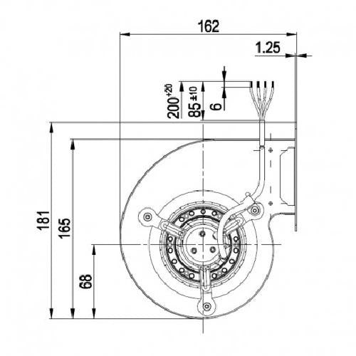
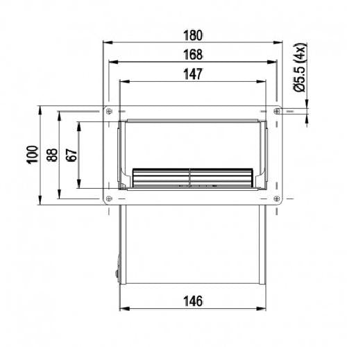
Di dimensioni lunghezza totale 162mm, dimensioni bocchetta uscita aria: 147x67mm.
Equivalente a: EBM D2E097-BK80-02 - LN2 Micro GT400 W950040020
Monta su stufe
- CALECOSOL ref. R2600538 mod. Zhana
- CLAM Cod. 05010119 Mod. Tower+ - Brooklyn - New York - Vienna - Parigi
- CLAM cod. 05010379 Mod. Elegance - Oslo - Sirio* - Sirio+* - Astra* - Astra+* - Venere* - Venere+* - Vega* - Vega+* - Style - Time - Pratico Small+
- CLAM Cod. 05020058 Mod. Favilla 5.84 C. XL - Favilla 5.89 B.F. XL - Plasma 850 XL - Plasma 750 XL
- EMAFLAM ref. R2600538 mod. Alma - Citra - Diama - Hema - Sandro
- THERMOROSSI ref. 60013149 mod. Ecotherm 3001








