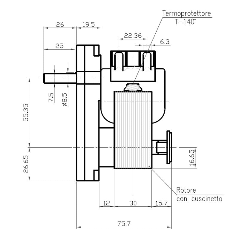
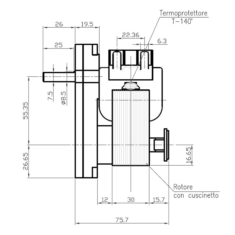
Descrizione
CARATTERISTICHE COSTRUTTIVE:
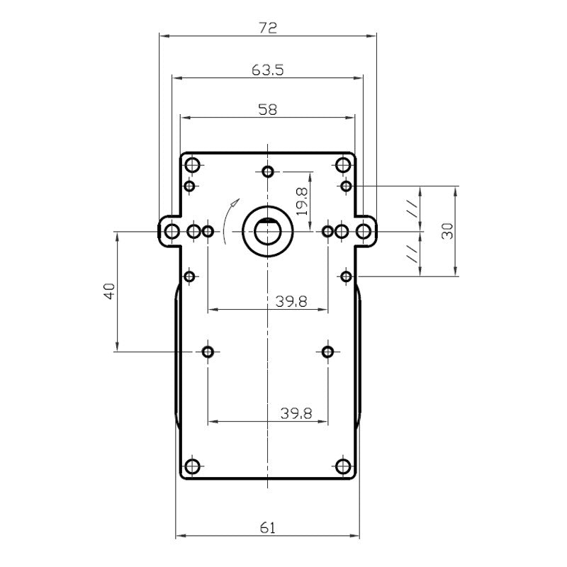
• Il riduttore.
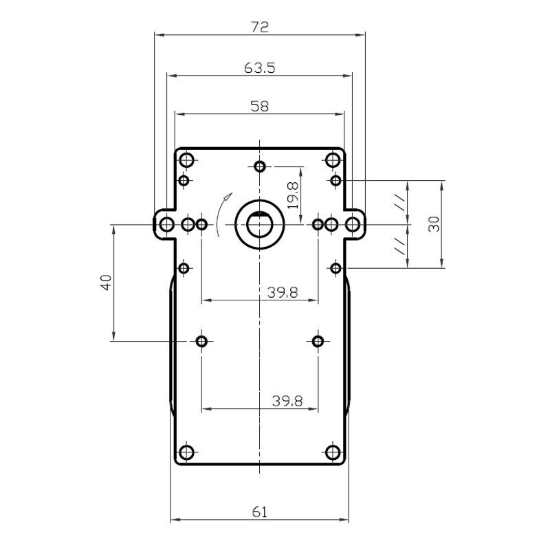
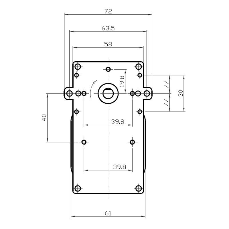
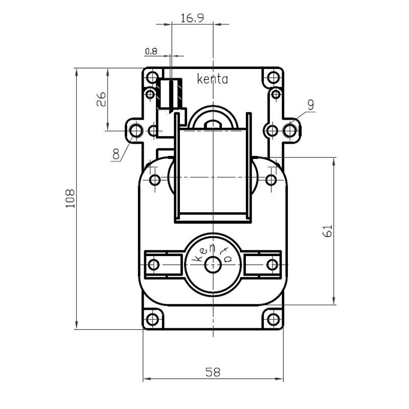
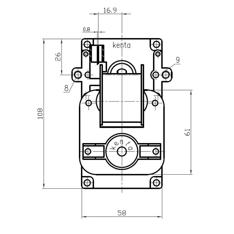
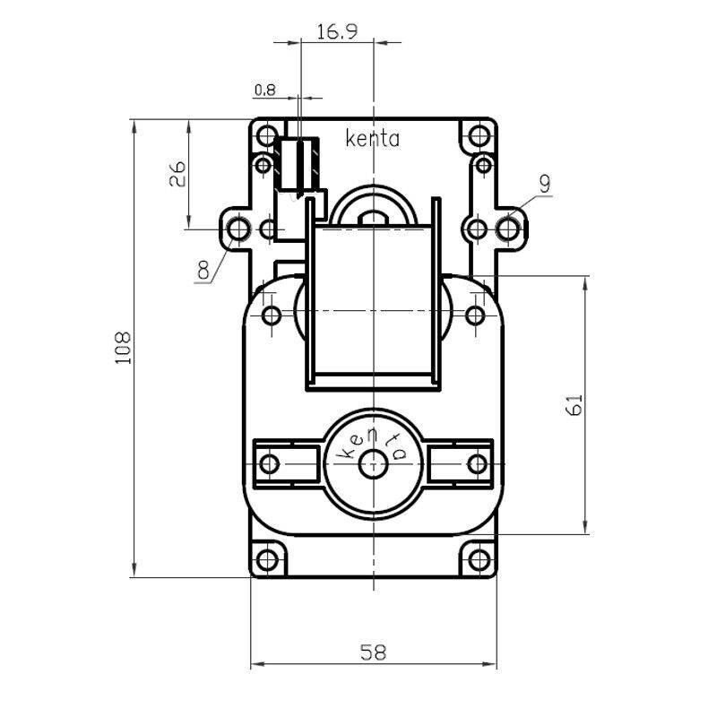
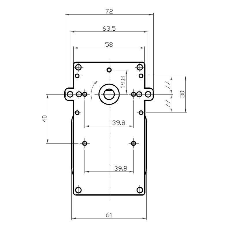
La scatola del riduttore è realizzata in pressofusione di zama e incorpora i fissaggi per l’applicazione.
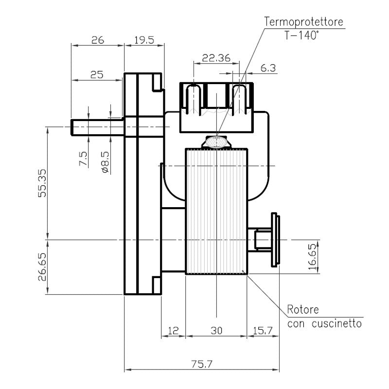
La
catena cinematica degli ingranaggi è composta da: albero motore a denti
elicoidali, ingranaggi veloci in speciali materiali plastici e
ingranaggi lenti in acciaio sinterizzato. Questo sistema garantisce
un’alta affidabilità consentendo ai motoriduttori K 911 la possibilità
di applicazioni in ambienti freddi (es. refrigeratori) e caldi (es.
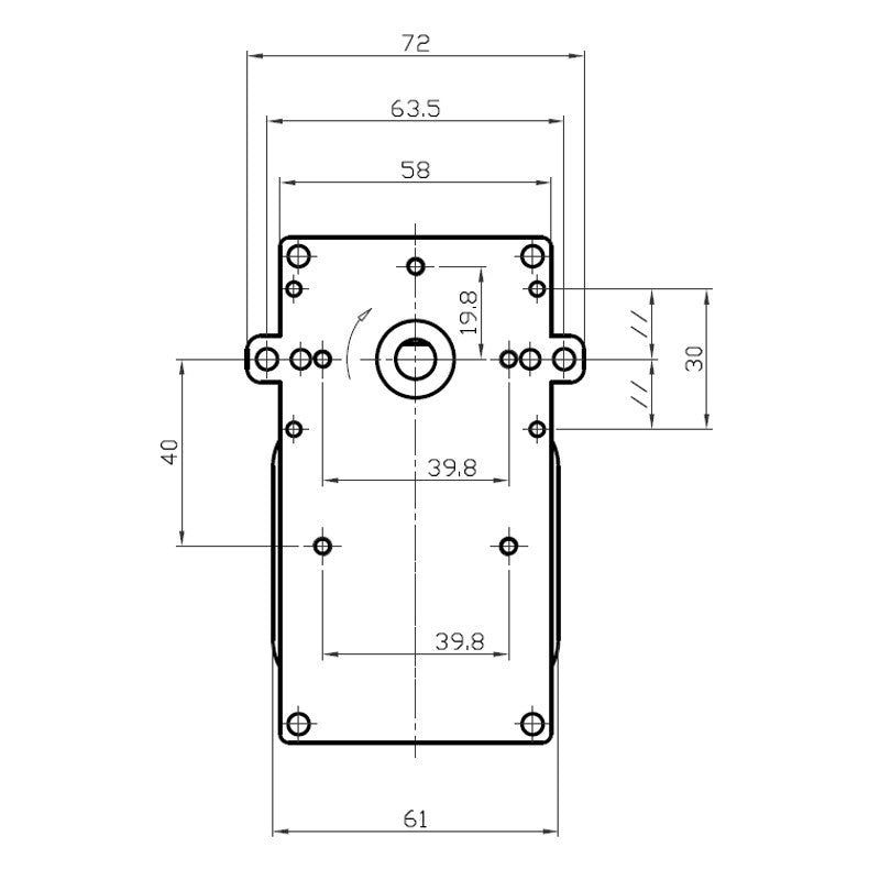
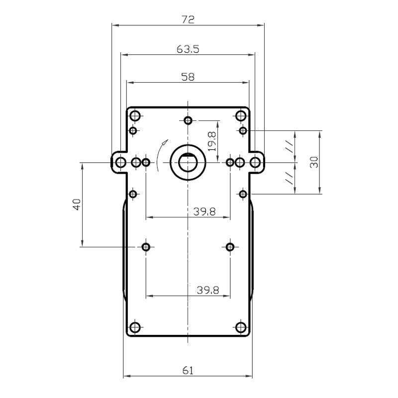
forni). La scatola del riduttore prevede 6 fori di fissaggio passanti e 5
fori di fissaggio filettati con penetrazione max. di 4 mm.
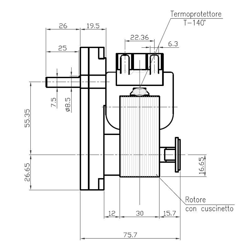
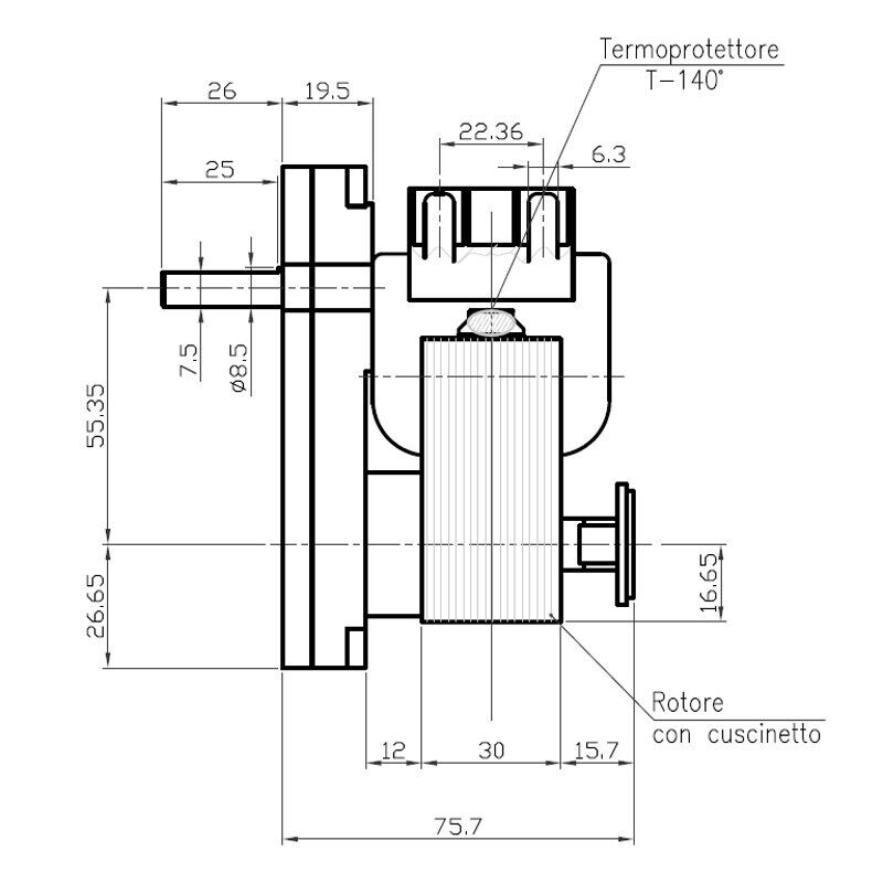
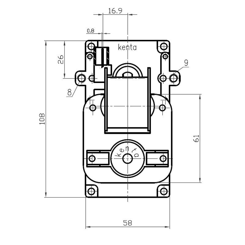
• I motori in corrente alternata (AC).
Le dimensioni dei motori sono fisse per quanto concerne la larghezza e l’altezza (61 x 61 mm)
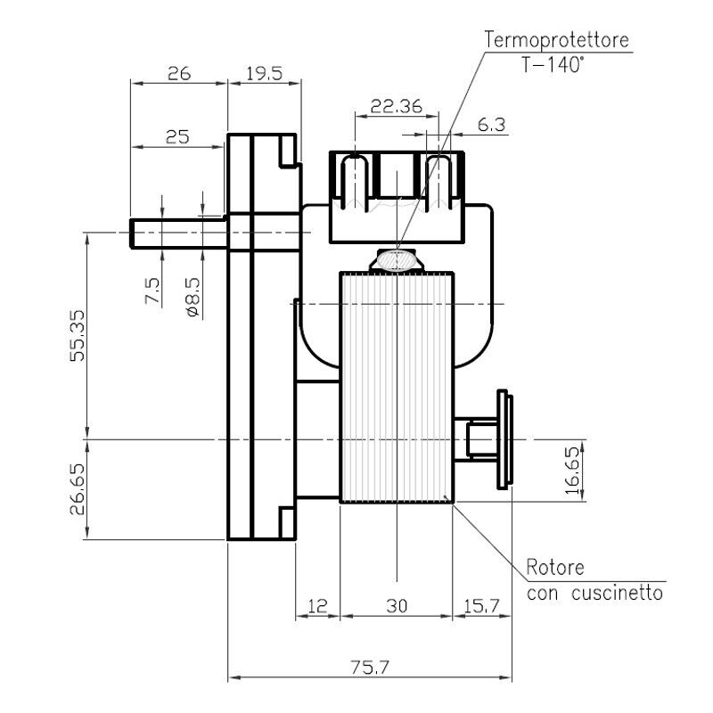
Gli
avvolgimenti delle bobine sono realizzati tramite un impianto
automatico dotato di controllo filo-stabilizzato del tensionamento.
Le
connessioni elettriche sono realizzate tramite faston 6,3 x 0,8
applicati con l’innovativo sistema a perforazione d’ isolante senza
saldatura (sistema Amtronics omologato UL) che impedisce falsi contatti.








