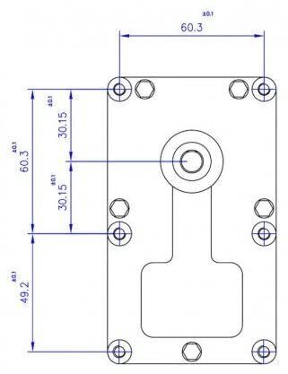
FB1330
Motoriduttore per stufe a pellet serie T3, alimentazione 220VAC.
Velocità: 1 rpm.
Pacco lamellare: 19 mm.
Diametro albero: 9,5 mm.
Spianatura: singola.
Senso di rotazione: oraria.
Coppia nominale: 28 Nm.
Adatto per essere impiegato per applicazioni ove è richiesta una bassa velocità e una coppia elevata il motoriduttore FB1330 - FB1309 è specifico per essere utilizzato come rotore per alimentare le stufe a pellet.
Serie T3, coppia nominale 28Nm, assorbimento 13Watt, velocità 1rpm, rotazione oraria, diametro albero 9,5mm, pacco lamellare da 19mm, alimentazione 220 V AC - 50/60Hz.
Equivalente al Kenta cod. 14702059
Per stufe
- ANSELMO COLA
- ENVIRO ref. EF-001 mod. Bern - EF2 - EF3 - EF4 - Meridian - Windsor
- ENVIRO ref. EF5-116 mod. EF5 Evolution
- KALOR
- MCZ
- PALAZZETTI ref. 895701330
- ROYAL
- THERMOROSSI ref. 60011246 - MK GF4415 S8217 - mod. Ciao - Compact 18 - Compact 18 class 5 - Compact 25 - Compact 32 - Compact 32 (2011) - Compact 32 class 5 - Cuba 10 - Cuba 12 - Dorica - Ecotherm 1000 - Ecotherm 1500 - Ecotherm 2000 - Ecotherm 3000 - Ecotherm 5000 - Ecotherm 6000 - Ecotherm 7000 - Ecotherm 8000 - H2O 18 - H2O 18 (2011) - H2O 25 - H2O 34 - H2O 34 Restyling - H2O 34 (2011) - Insert 49 - Insert 60 - Insert Line 490 - Insert Line 600 - Slim (Tutte le Serie)





