Descrizione
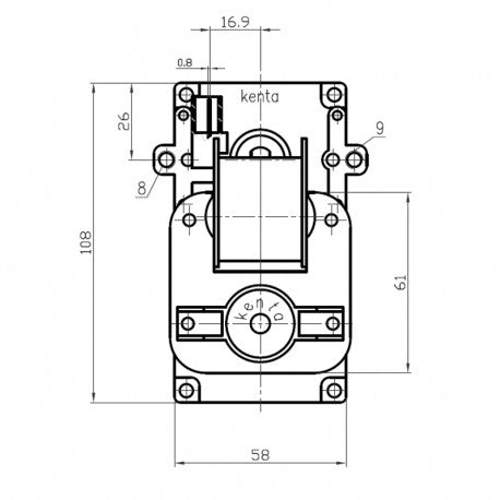
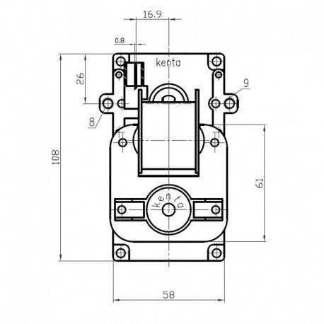
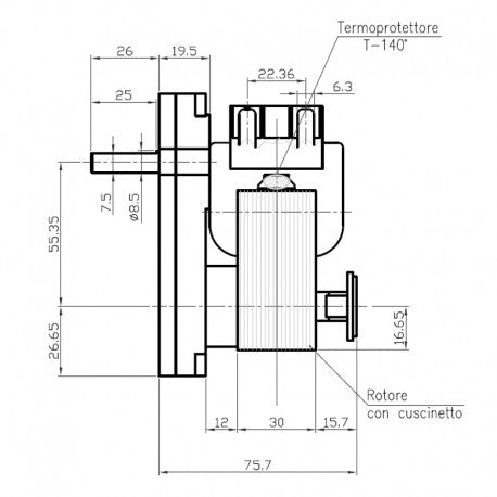
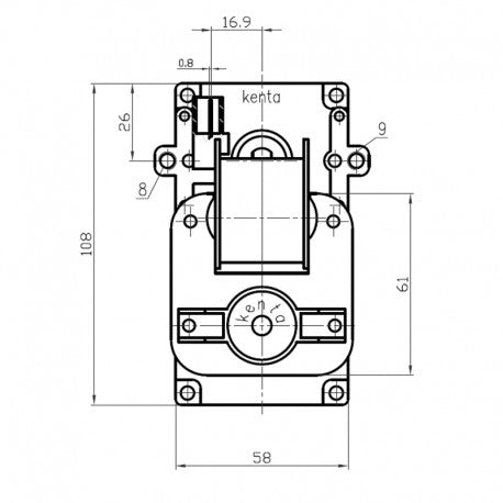
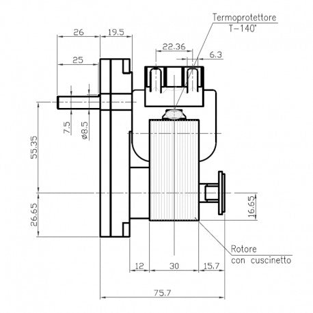
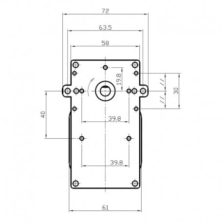
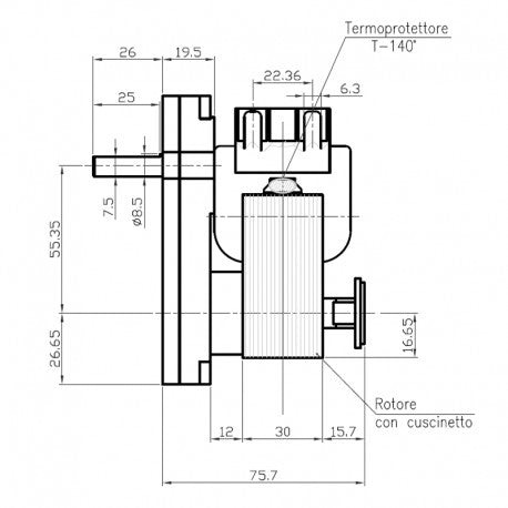
MOTORIDUTTORE KENTA SERIE K911 1,5 RPM INSTALLATO SU MOLTE STUFE
CARATTERISTICHE:
- ALIMENTAZIONE 230V AC 50 Hz
- POTENZA MOTORE 28W (pacco 30) con bobina termoprotetta x evitare la bruciatura motore in caso di bloccaggio della coclea
- VELOCITA' ROTAZIONE ALBERO 1,5 Rpm
- DIAMETRO ALBERO 8,5mm ( INNESTABILE ANCHE NEL 9,5mm)
- ROTAZIONE ORARIA VISTA DAL LATO ALBERO (invertibile)
- DIMENSIONE in cm 7x11x10 (lxhxp)




