Descrizione
K9177310
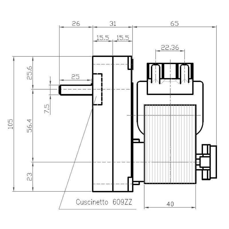
Motoriduttore Kenta per stufe a pellet
Velocità: 5 rpm.
Pacco lamellare: 40 mm.
Diametro albero: 8,5 mm.
Spianatura: singola.
Senso di rotazione: oraria.
Coppia nominale: 21 Nm.
Adatto per essere impiegato per applicazioni ove è richiesta una bassa velocità e una coppia elevata il motoriduttore Kenta K9177310 è specifico per essere utilizzato come rotore per alimentare le stufe a pellet.
Serie 917, coppia nominale 21Nm, assorbimento 47Watt, velocità 5rpm, rotazione oraria, diametro albero 8,5mm, pacco lamellare da 40mm, alimentazione 220 V AC - 50/60Hz.
Monta su stufe:
- ARCE ref. 1611909737 mod. Cicle idro XL



