Descrizione
Estrattore, aspiratore fumi SIT GROUP LN2 NATALINI PL21 CE0260 -
W931210260
progettato per l’impiego in stufe a pellet e caldaie a
biomasse con potenze da 5 a 20KW.
Monta su stufe NORDICA - MCZ - AMG - PASIAN
PALAZZETTI
ref. 895713870 mod. Angelica - Caterina - Giada da rivestire -
Isabella - Letizia - Margherita new - Penelope - Silvia - Slimmy - Tracy
PIAZZETTA ref. RF02010660 mod. P158T
SIDEROS mod. Gemini più
PALLADIO mod. Scozia 10 Kw
Può essere montato al posto del modello LN2 PL20 e XIANG RRL152
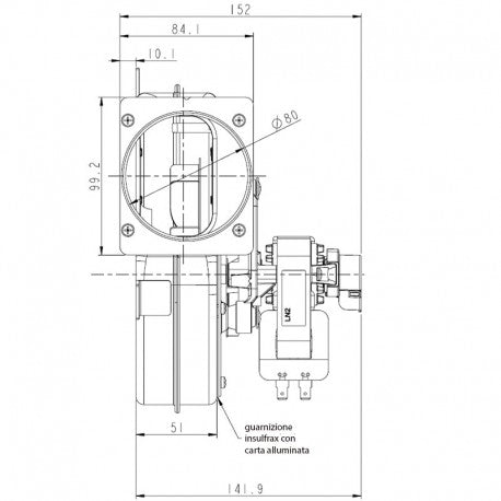
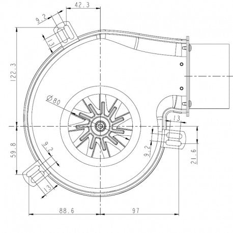
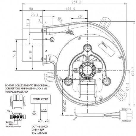
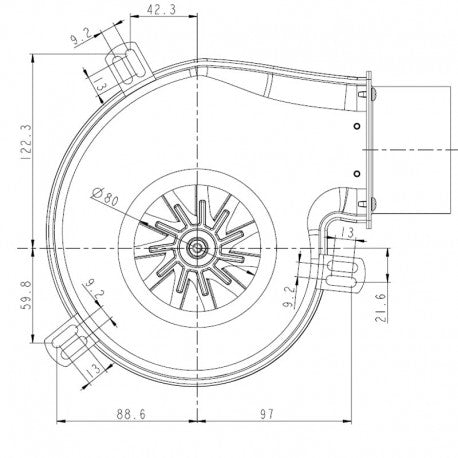
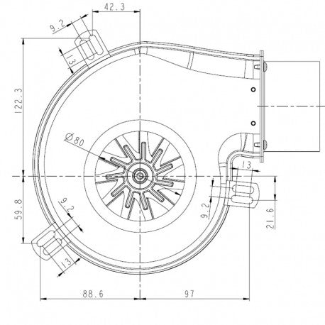
Provvisto di chiocciola in lamiera alluminata con uscita di diametro 80mm e girante in acciaio AISI 430.
Progettato per generare pressioni fino a 300 Pa con portata massima di 160 m3/h.
Equipaggiato con boccaglio per ingresso tubo escita fumi e sensore ad effetto hall (encoder).
Estrattore - aspiratore fumi per stufe a pellet.
Pressioni generata: fino a 300 Pa
Portata massima: di 160 m3/h
Numero di giri: fino a 2500 RPM
Potenza: 50 Watt
Flangia di mandata: diametro 80 mm
Corredato di sensore a effetto hall.
Disponibile in PRONTA CONSEGNA
IMPORTANTE: SOSTITUISCE ANCHE IL PL20




